Menu
0
Sluiten

Categorieën

Filters

    Wij helpen u graag vinden wat u zoekt!

    Neem gerust contact met een van onze specialisten via 0418-514018!

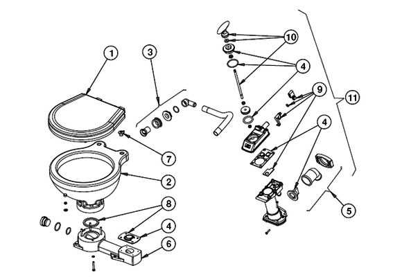
    Allpa (Johnson) toilet onderdelen

    Een toilet bestaat uit veel losse onderdelen. Wanneer een van deze onderdelen vervang moet worden kan het best lastig zijn om de juiste aankoop te doen. Speciaal daarvoor hebben wij deze pagina. In onderstaande tekening staat precies welk onderdeel zich waar bevindt en wat de naam is. 

    Bovendien kun je via het overzicht direct naar d... Toon meer

    Merken

    Prijs

    -
    64 Producten
    Allpa Inlaatknie 90° draaibaar
    € 10,32
    Johnson Pump lipseal
    € 10,79

    Allpa (Johnson) toilet onderdelen

    Een toilet bestaat uit veel losse onderdelen. Wanneer een van deze onderdelen vervang moet worden kan het best lastig zijn om de juiste aankoop te doen. Speciaal daarvoor hebben wij deze pagina. In onderstaande tekening staat precies welk onderdeel zich waar bevindt en wat de naam is. 

    Bovendien kun je via het overzicht direct naar de juist product pagina om je aankoop te doen!

    Kies hieronder jouw toilet:

    Johnson AquaT Handpomp + Allpa Space Saver Handpomp Toilet >
    Johnson AquaT Standard Electric Toilet + allpa Space Saver Electrisch Toilet >
    Johnson AquaT Silent-Electric & Silent Premium-Electric Toilet >
    Allpa Laguna Standaard Elektrisch & Elegant Toilet >
    Allpa Laguna Hydri-Vacuum Electrisch Toilet >

     

    Johnson AquaT Handpomp + Allpa Space Saver Handpomp Toilet

     

    Nr

    Artikelcode

    Naam

     1

     66814724101

    (1) Johnson Pump Soft-Close bril en deksel voor scheepstoilet Johnson compact model

     1

     66814724102

    (1) Johnson Pump Soft-Close Bril en deksel voor scheepstoilet Johnson Comfort model

     2 

     66814724501

    (2) Johnson Pump Toiletpot voor scheepstoilet Johnson compact model

     2

     66814724502

    (2) Johnson Pump Toiletpot voor scheepstoilet Johnson comfort model

     3 

     187020

    (3) allpa Inlaatknie 90° rechts

     3

     187020/L

    (3) allpa Inlaatknie 90° links

     4

     66814724201

    (4) Johnson Pump Reparatieset voor scheepstoilet Johnson compact model

     5

     66814724602

    (5) Johnson Pump Uitlaatknie met klep voor scheepstoilet Johnson compact model

     6

     66814724301

    (6) Johnson Pump Plastic voetstuk met pakkingring voor scheepstoilet Johnson compact model

     7

     66814726701

    (7) Johnson Pump Scharnier Set

     8

     66814726801

    (8) Johnson Pump Voetpakking Set

     9

     66814726901

    (9) Johnson Pump Spoelhandel Set

     10

     66814724401

    (10) Johnson Pump Plastic handle voor scheepstoilet Johnson compact model

     11

     66814723901

    (11) Johnson Pump Handpomp voor scheepstoilet Johnson

     

     259119

    (-) Johnson Pump Aftapplug Toiletvoet

     

     259121

    (-) allpa Soft-Close Bril / Deksel Laguna

     

     259087

    (-) Johnson Pump Space Saver Porseleine Pot

    12

     66814745301

    (12) Johnson Pump lipseal

     

     187021

    (-) Losse eendenbek voor AquaT Handpomp Toilet + allpa Space Saver Handpomp Toilet

     

    Johnson AquaT Standard Electric Toilet + allpa Space Saver Electrisch Toilet

     

    Nr

    Artikelcode

    Naam

     1

     66814724101

     (1) Johnson Pump Soft-Close bril en deksel voor scheepstoilet Johnson compact model

     1

     66814724102

     (1) Johnson Pump Soft-Close Bril en deksel voor scheepstoilet Johnson Comfort model

     2 

     66814724501

     (2) Johnson Pump Toiletpot voor scheepstoilet Johnson compact model

     2

     66814724502

     (2) Johnson Pump Toiletpot voor scheepstoilet Johnson comfort model

     3 

     66814724601

     (3) Johnson Pump Inlaatknie met seal voor scheepstoilet Johnson compact model

     4

     66814744601

     (4) Johnson Pump Kunststof Voet Set

     5

     66814744701

     (5) Johnson Pump Hakselaar Set

     6

     66814744801

     (6) Johnson Pump Pomphuis Groep

     7

     66814744901

     (7) Johnson Pump Motorgroep 12V

     7

     66814744902

     (7) Johnson Pump Motorgroep 24V

     8

     66814745001

     (8) Johnson Pump Pompflens

     9

     66814745101

     (9) Johnson Pump Complete Pakkingset

     10

     66814745201

     (10) Johnson Pump Uitlaatknie

     

     187014

     (10) Afvoertule Kunststof  90° voor elektr.Toilet

    11

     6609847B

     (11) Johnson Pump Impeller

    12

     66814745301

     (12) Johnson Pump lipseal

    13

     66814744301

     (13) Johnson Pump Motorkap

    14

     66814744201

     (14) Johnson Pump Conversiekit  12V  Standard Electric

    14

     66814744202

     (14) Johnson Pump Conversiekit  24V  Standard Electric

     

     259087

     (-) Johnson Pump Space Saver Porseleine Pot

     

     259121

     (-) allpa Soft-Close Bril / Deksel Laguna

    15

     187007

     (15) Losse 3-hoekklep voor Johnson AquaT Standard Electric Toilet & allpa Space  Saver Elektrisch Toilet



    Johnson AquaT Silent-Electric & Silent Premium-Electric Toilet

    Nr

    Artikelcode

    Naam

     1

    66814724101

    (1) Johnson Pump Soft-Close bril en deksel voor scheepstoilet Johnson compact model

     1

    66814724102

    (1) Johnson Pump Soft-Close Bril en deksel voor scheepstoilet Johnson Comfort model

     2 

    66814724501

    (2) Johnson Pump Toiletpot voor scheepstoilet Johnson compact model

     2

    66814724502

    (2) Johnson Pump Toiletpot voor scheepstoilet Johnson comfort model

     3 

    66814727301

    (3) Johnson Pump Uitlaatknie Ø38-90° met terugslagklep voor scheepstoilet Johnson Aqua-T Silent-E & Silent Premium-E

     

    66814724503

    (-) Johnson Pump Toiletpot voor scheepstoilet Johnson premium laag-model

     

    66814724504

    (-) Johnson Pump Toiletpot voor scheepstoilet Johnson premium laag/schuin-model

     

    66814724505

    (-) Johnson Pump Toiletpot voor scheepstoilet Johnson premium standaard-model

     

    66814724506

    (-) Johnson Pump Toiletpot voor scheepstoilet Johnson premium standaard/schuin-model

    4

     

     

    5

    66814727401

    (5) Johnson Pump voetpakking

    6

    66814726701

    Johnson Pump scharnier set

    7

    66814724701

    Johnson Pump Motorbasis (voet) voor scheepstoilet Johnson premium model

    8

    66814724801

    Johnson Pump motor 12V voor scheepstoilet Johnson premium model

     

    66814724802

    Johnson Pump motor 24V voor scheepstoilet Johnson premium model

    9

    66102467701

    Johnson Pump spoelpomp 2.4  12V voor scheepstoilet (10-13399-05)

     

    66102467702

    Johnson Pump spoelpomp 2.4  24V voor scheepstoilet (10-13399-06)

    10

    66813610501

    Johnson Pump bedieningspaneel voor scheepstoilet 12V & 24V

     

    66814745101

    Johnson Pump complete pakkingset

    11

    66814724001

    Johnson Pump Conversiekit 12V  voor Scheepstoilet  Voet  90º Bocht  Motor & Hakselaar

     

    66814724002

    Johnson Pump Conversiekit 24V  voor Scheepstoilet  Voet  90º Bocht  Motor & Hakselaar

    12

    66814750401

    Johnson Pump glijringafdichting motoras Silent Electric & Silent Premium Electiric toilet

    13

    668147519

    Johnson Pump versnijder impeller met borgring

     

    259121

    (-) allpa Soft-Close Bril / Deksel Laguna

     

    259122

    Johnson Pump soft-close bril/deksel voor silent-electric comfort

     

    259123

    Johnson Pump soft-close bril/deksel voor silent-premium comfort

     

     

    Allpa Laguna Standaard Elektrisch & Elegant Toilet

    Nr

    Artikelcode

    Naam

    1, 2

    259130

    allpa pomphuis  versnijder-impeller  

    3, 4

     

    glijringafdichting

    5, 7

     

    Pakking, schroeven

    6

    259138

    allpa Motor 12V

     

    259139

    allpa Motor 24V

    8, 9

    259135

    allpa Seal, Lipseal  

    10, 11

     

    Pomphuis, Slijtplaat  

    12, 13

     

    Flexibele impeller, O-ring 

    14, 15

     

    Pompdeksel, Schroeven

    16, 17

    259137
    (16 t/m 18)

    Slang, Slangklem

    18

     

    Slang

    19, 20

    259134
    (19 t/m 22)

    Aansluiting, Terugslagklep

    21, 22

     

    Knie, Moer

     

    259150

    allpa Porseleine pot laguna

     

    259100

     

     

    259121

    (-) allpa Soft-Close Bril / Deksel Laguna

     

    259092

    (-) allpa Schakelpaneel voor elektrisch toilet  12V & 24V  max. 20A

     

    259155

    (-) Kit 12V voor Laguna Toilet

     

    259156

    (-) Kit 24V voor Laguna Toilet

     

     

    Allpa Laguna Hydri-Vacuum Electrisch Toilet

    Nr

    Artikelcode

    Naam

    1, 2

    259130

    allpa pomphuis  versnijder-impeller  

    3, 4

    259150

    glijringafdichting

    5, 7

    259100

    Pakking, schroeven

    6

    259148

    allpa Motor 12V

     

    259149

    allpa Motor 24V

     

    259229

    allpa Spoelpomp 12V

     

    259230

    allpa Spoelpomp 24V

     

    259231

    allpa Elektrische klep  12V voor elektrische scheepstoiletten met gescheiden pompsysteem

     

    259232

    allpa Elektrische klep  24V voor elektrische scheepstoiletten met gescheiden pompsysteem

    8, 11

    259237

    Slangen

    9, 10, 12

     

    Slangklemmen

    13, 14

    259140

    Aansluiting, terugslagklep

    15, 16

     

    Knie, Moer

     

    259150

    allpa Porseleine pot laguna

     

    259100

    allpa Houten Bril met deksel  voor hand- & e-toilet normale pot  Laguna

     

    259121

    Johnson Pump space saver kunststof soft-close bril/deksel

     

    259097

    allpa Schakelpaneel voor hydro-vacuum elektrisch toilet  12V & 24V  max. 20A

     

    Wij slaan cookies op om onze website te verbeteren. Is dat akkoord? JaNeeMeer over cookies »